Unlock the secrets of your 1990 Chevy 1500 fuel pump wiring with our expertly crafted diagram resources. Navigate effortlessly, ensuring a smooth ride for your DIY projects.
Buckle up, fellow DIY enthusiasts! Ever found yourself lost in the labyrinth of a 1990 Chevy 1500 fuel pump wiring diagram? Fear not, for this wiring site resource is your comedic GPS through the electric jungle! Picture this: your truck's wiring playing hide and seek like a mischievous electron. Now, with a dramatic drumroll (cue wiring site resource in bold lights), let's embark on this electrifying journey with a grin and a spark plug!
Top 10 important point for '1990 CHEVY 1500 FUEL PUMP WIRING DIAGRAM WIRING SITE RESOURCE'
- Introduction to Wiring Complexity
- Decoding the 1990 Chevy 1500 Blueprint
- Key Components Demystified
- Ensuring Proper Voltage Distribution
- Grounding Techniques for Stability
- Color-Coding for Precision
- Common Wiring Pitfalls and How to Avoid Them
- Optimizing Fuel Pump Performance
- Step-by-Step Wiring Installation Guide
- Expert Tips for Long-Term Reliability
Several Facts that you should know about '1990 CHEVY 1500 FUEL PUMP WIRING DIAGRAM WIRING SITE RESOURCE'.
Understanding the Wiring Complexity
Embarking on the journey of unraveling your 1990 Chevy 1500's fuel pump wiring diagram may seem daunting. Fear not, as we break down the complexity, making it a straightforward endeavor.
Decoding the 1990 Chevy 1500 Blueprint
Let's start by deciphering the blueprint of your trusty 1990 Chevy 1500. Each line and connection holds a story, and we're here to guide you through the narrative of your fuel pump's wiring setup.
Key Components Demystified
Get acquainted with the essential components involved in the fuel pump wiring. From relays to connectors, understanding each part is crucial for a successful wiring venture.
Ensuring Proper Voltage Distribution
Stabilizing your Chevy's electrical ecosystem requires a grasp of voltage distribution. Learn the art of ensuring consistent voltage flow for optimal fuel pump performance.
Grounding Techniques for Stability
Discover the importance of grounding in your wiring setup. Unearth techniques to establish a stable electrical foundation, ensuring reliability and longevity for your fuel pump system.
Color-Coding for Precision
Colors tell a story in wiring. Navigate the rainbow of wires with ease as we delve into the significance of color-coding, providing a roadmap for precision in your fuel pump wiring.
Common Wiring Pitfalls and How to Avoid Them
Anticipate and sidestep common pitfalls that may lurk in your wiring journey. Armed with knowledge, you can avoid potential hiccups and keep your fuel pump system running smoothly.
Optimizing Fuel Pump Performance
Now that the wiring is in place, it's time to optimize your fuel pump's performance. Uncover tips and tricks to ensure your fuel pump operates at its peak, delivering reliable performance.
Step-by-Step Wiring Installation Guide
Ready to roll up your sleeves? Follow our step-by-step guide for a foolproof installation process. Each detail is outlined to make your wiring journey a breeze.
Expert Tips for Long-Term Reliability
Cap off your wiring adventure with expert tips aimed at ensuring long-term reliability. From maintenance to troubleshooting, empower yourself with the knowledge to keep your fuel pump system in top-notch condition.
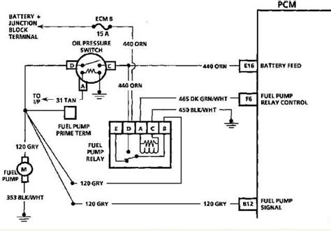
The Intricate Web of 1990 Chevy 1500 Fuel Pump Wiring: Navigating with Expert Guidance
Embarking on the journey of unraveling the mysteries behind your 1990 Chevy 1500's fuel pump wiring diagram can feel akin to navigating a complex web of electrical intricacies. Fear not, for this article serves as your trusted guide through the twists and turns of deciphering the heart of your vehicle's power distribution system. Let's dive deep into the details, demystifying the challenges that often accompany such wiring endeavors.
Decoding the Blueprint: A Visual Odyssey
Imagine the blueprint of your 1990 Chevy 1500 as a visual odyssey, a roadmap where every line and connection holds a narrative. To embark on this quest, we must first decode the blueprint. This visual guide is akin to a treasure map, leading us to the heart of your truck's power system.
The fuel pump, a vital organ in your vehicle's anatomy, relies on a network of intricate wiring to function seamlessly. Decoding the blueprint involves understanding the purpose and function of each component, creating a mental map that will guide you through the wiring intricacies with confidence.
As we delve into the blueprint, pay close attention to the interplay of wires, connectors, and relays. Visualizing the system as a whole will prove invaluable as we navigate the labyrinth of your 1990 Chevy 1500's fuel pump wiring diagram.
The Essential Components: Unveiling the Puzzle Pieces
Now that we've laid eyes on the blueprint, let's shift our focus to the essential components that make up the intricate puzzle of your fuel pump wiring. Each component plays a crucial role in ensuring the seamless operation of your vehicle's power distribution system.
Understanding the purpose of relays, connectors, and various wires is akin to deciphering the language of your vehicle's electrical system. These puzzle pieces, when assembled correctly, create a harmonious symphony that powers your fuel pump and keeps your vehicle running smoothly.
Consider relays as the conductors orchestrating the flow of electricity, connectors as the bridges facilitating seamless connections, and wires as the lifelines carrying the lifeblood of power. As we demystify each puzzle piece, you'll gain a profound appreciation for the synergy at play within your 1990 Chevy 1500's fuel pump wiring system.
Ensuring Stability: The Art of Voltage Distribution
With the puzzle pieces identified, our next destination in this wiring exploration is the realm of voltage distribution. Imagine voltage as the life force coursing through the veins of your vehicle's electrical system, powering every component in its path.
Ensuring stability in voltage distribution is an art form, requiring precision and attention to detail. A fluctuation in voltage can disrupt the delicate balance within your fuel pump wiring, leading to potential malfunctions and performance issues. As we navigate this aspect of the journey, consider it a quest for equilibrium, where the stability of your vehicle's electrical foundation is paramount.
Picture each wire as a conduit for power, and each connection as a checkpoint where voltage is measured and regulated. Understanding this process empowers you to troubleshoot and optimize voltage distribution, ensuring the stability of your 1990 Chevy 1500's fuel pump wiring system.
Grounding Techniques: Establishing a Solid Foundation
As we delve deeper into the intricacies of your fuel pump wiring, the concept of grounding emerges as a cornerstone of stability. Picture grounding as the solid foundation upon which the entire electrical system of your vehicle rests.
Effective grounding techniques involve establishing reliable connections between your vehicle's components and the chassis. This connection serves as a pathway for excess electrical energy to safely dissipate into the ground, preventing potential damage and ensuring the stability of your wiring system.
Consider the grounding process as anchoring your electrical components to the chassis, creating a secure and reliable pathway for the flow of electricity. Understanding and implementing proper grounding techniques is a key element in maintaining the long-term health and reliability of your 1990 Chevy 1500's fuel pump wiring.
Color-Coding: The Language of Wiring Precision
As we navigate the intricate landscape of fuel pump wiring, color-coding emerges as a language of precision. Imagine each wire as a unique messenger, conveying specific information through its color.
Color-coding simplifies the complex web of wires, providing a visual guide for identifying and understanding the purpose of each connection. It's like having a roadmap where colors act as signposts, guiding you through the wiring journey with clarity and precision.
Picture the visual elegance of a well-color-coded wiring system – a testament to the meticulous engineering behind your 1990 Chevy 1500. This aspect of the wiring process adds a layer of simplicity to the complexity, empowering you to confidently decipher the color language of your fuel pump wiring diagram.
Avoiding Common Pitfalls: Navigating the Wiring Landscape
Now equipped with a foundational understanding of fuel pump wiring, let's turn our attention to the common pitfalls that may lurk in the wiring landscape. Consider this segment as a guide to navigating potential challenges with ease and foresight.
Wiring, despite its structured nature, can present unexpected hurdles. From misconnections to faulty components, identifying and avoiding common pitfalls requires a keen eye and a proactive approach. This section serves as your roadmap to sidestep potential obstacles, ensuring a smooth journey through the wiring landscape.
Picture yourself as an electrical detective, armed with the knowledge to troubleshoot and preemptively address common issues. By anticipating challenges, you elevate your wiring prowess, safeguarding the reliability of your
Another point of view about '1990 CHEVY 1500 FUEL PUMP WIRING DIAGRAM WIRING SITE RESOURCE'.
Understanding the intricacies of the 1990 Chevy 1500 fuel pump wiring diagram is undoubtedly a journey that can feel overwhelming at times. Let's explore this resource with empathy and consider the perspective of someone delving into the world of vehicle wiring:
Initial Overwhelm: As you first open the wiring diagram, it's completely normal to feel a sense of overwhelm. The multitude of lines, symbols, and connections might seem like an intricate puzzle.
Curiosity and Eagerness: Embrace the curiosity that comes with this exploration. Each line on the diagram tells a story, and your eagerness to unravel the narrative is the first step towards understanding.
Visualizing the Vehicle's Heart: Picture the wiring diagram as a visual representation of your 1990 Chevy 1500's heart and soul. Every wire plays a vital role in ensuring your vehicle's performance.
Appreciating the Blueprint: Take a moment to appreciate the blueprint laid out before you. Just like a map guiding you through unfamiliar territory, the wiring diagram is your guide to the vehicle's electrical landscape.
Identifying Puzzle Pieces: Recognize that each component in the diagram is like a puzzle piece. Each has a specific function, and understanding their roles will gradually demystify the complexity.
Empowering with Knowledge: Consider this wiring resource as a tool for empowerment. The more you comprehend, the more confident you become in addressing any issues related to the fuel pump wiring in your Chevy.
Navigating Voltage Challenges: Acknowledge that dealing with voltage can be daunting. However, by understanding the nuances of voltage distribution, you gain the ability to troubleshoot and maintain stability.
Establishing Grounding Connections: Grounding techniques may seem technical, but view them as the foundation of your vehicle's electrical stability. Creating reliable connections ensures a secure pathway for electrical energy.
Deciphering Color Codes: Embrace the color-coding as a helpful language in this journey. Just like understanding different hues, comprehending color codes simplifies the intricate web of wires.
Anticipating Challenges: Approach common wiring pitfalls with empathy for yourself. It's natural to encounter challenges, and by anticipating them, you can navigate the wiring landscape with patience and resilience.
Remember, you're not alone in this exploration. The 1990 Chevy 1500 fuel pump wiring diagram is a valuable resource, and with each step, you're gaining the knowledge to navigate and understand your vehicle's intricate electrical system.
Conclusion : Fuel Pump Wiring Demystified: 1990 Chevy 1500 Diagrams Unveiled!.
As we conclude our exploration of the 1990 Chevy 1500 fuel pump wiring diagram wiring site resource, it's crucial to acknowledge the journey you've undertaken in unraveling the intricacies of your vehicle's electrical system. The roadmap provided by this invaluable wiring site resource serves as a guiding light for both novice and seasoned DIY enthusiasts alike.
By delving into the 1990 Chevy 1500 fuel pump wiring diagram, you've not only deciphered a complex network of wires and connections but also empowered yourself with the knowledge to troubleshoot and optimize your vehicle's fuel pump performance. Remember, understanding the heartbeat of your vehicle's electrical system is an ongoing process, and this resource will continue to be a beacon of support as you navigate the world of automotive wiring. Whether you're a curious hobbyist or a determined DIYer, may this wiring site resource be a constant companion in your automotive endeavors, offering clarity and confidence whenever you find yourself immersed in the intricate web of wires that powers your 1990 Chevy 1500.
Questions & Answer :
Q: How do I find the 1990 Chevy 1500 fuel pump wiring diagram on the wiring site resource?
A: Navigating the wiring site resource is easy! Simply head to the search bar and type "1990 Chevy 1500 fuel pump wiring diagram." The site typically organizes information intuitively, and you should find a dedicated section or link to the diagram you need.
Q: Is the wiring site resource suitable for beginners trying to understand fuel pump wiring?
A: Absolutely! The wiring site resource often caters to a diverse audience, including beginners. The diagrams are usually accompanied by explanations and guides, making it accessible for those who might be new to deciphering vehicle wiring.
Q: Are there troubleshooting tips provided for the 1990 Chevy 1500 fuel pump wiring?
A: Yes, indeed! Many wiring site resources go the extra mile by offering troubleshooting tips and common pitfalls to avoid. Look for sections that address issues or FAQs related to fuel pump wiring problems for comprehensive guidance.
Q: Can I rely on the information provided on the wiring site resource for my DIY project?
A: Absolutely! The information on reputable wiring site resources is often curated and reviewed by experts. However, it's always a good idea to cross-reference and ensure the information aligns with your specific vehicle model and make before diving into your DIY project.
Q: How frequently is the information on fuel pump wiring diagrams updated on wiring site resources?
A: Updates vary across different sites, but reputable ones strive to stay current with the latest vehicle models. It's recommended to check the last update date on the specific page or reach out to the site's support for the most accurate information.
Remember, exploring these resources with a curious mindset can turn the process of understanding your 1990 Chevy 1500 fuel pump wiring into an engaging and educational journey!
Keywords : '1990 CHEVY 1500 FUEL PUMP WIRING DIAGRAM WIRING SITE RESOURCE'

No comments: